SymRoll recommended maintenance - End seals & roll overhauls
For trouble-free functioning of SymRolls, the following are recommended maintenance regarding the end roll seals and overhauls (complete or regular operation).
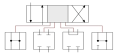
Common hydraulic valves - the proportional pressure valve
Proportional valves are commonly used to control pressure to a cylinder or hydraulic motor.
10 tips: Resist headbox corrosion in maintenance & operation
Corrosion can be minimized by adhering to these maintenance and operating procedures.
Attenuators - operation, maintenance and troubleshooting
A pulsation attenuator, inserted in the stock approach piping, acts as a buffer for the headbox against pulsations developed by stock system components.
Vibration analysis - commonly used terms and definitions
This article provides definitions of terms that appear in a vibration analysis reports and may need further explanation. Graphics illustrate some concepts.
A solution for jumbo roll bouncing in the secondary arms
A mill reported that their jumbo rolls were bouncing. This started after their reel's flattened secondary arm rollers were replaced with fresh, round rollers...
Forming section field services identify potential problems
Forming section services diagnose potential or actual problems and their solutions. Scheduled services ensure reliable, safe and efficient operation.
Hydraulic problems and their resolutions, actual examples
The following are real life examples of hydraulic problems Valmet Field Service experts found in the field and rectified during their visit.
Indah Kiat Perawang 50% time savings in doctoring, case study
When IKPP Perawang wanted to boost machine runnability and performance, they challenged Valmet's specialists to find potential areas for improvement.
Improving reliability with SymBelt maintenance (webinar)
Shoe press reliability is critical. Proper care of SymBelt equipment improves production outcomes, decreases unplanned downtime and extends equipment lifespan.
Page 705 of 767